性能参数
|
量程范围 |
2~100~500Mpa |
|
压力类型 |
密封压 |
|
供电电源 |
24V、12V、5V(比例输出) |
|
输出信号 |
4~20mA、1~5V、0~5V、0.5~4.5V |
|
工作温度 |
-20~85℃ |
|
储存温度 |
-40~125℃ |
|
零点温漂 |
±1.5%FS(@-10~70℃) |
|
灵敏度温漂 |
±1.5%FS(@-10~70℃) |
|
过载压力 |
150%FS |
|
机械振动 |
20g(20-5000HZ) |
|
冲击 |
100g(11ms) |
|
静态精度 |
0.25、0.5级可选 |
|
绝 缘 |
100MΩ/250VDC |
|
响应时间 |
≤1ms(上升到90%FS) |
|
机械寿命 |
≥500万次压力循环 |
|
长期稳定性 |
±0.25%FS/年 |
|
防护等级 |
IP65 |
|
材质 |
不锈钢 |
|
介质兼容 |
与镍铬合金兼容的各种液体或气体 |
产品概述
SSYB330高压型压力变送器选用高精度箔式应变计作为测力元件,其独特的一体化弹性结构,具有良好地稳定性和可靠性,另外,采用无机材料密封技术(铜密封或焊接密封),避免了常规产品密封圈老化的问题。
高精度的信号处理电路位于不锈钢壳体内,电路经过严格的工艺老化处理,同时还具有良好地线性补偿功能,将传感器输出信号转换为工业标准输出信号,产品主要用于高压超高压以及压力冲击大的场合。
适用范围
重型设备配套,高压力,高负载,高冲击,频繁过载的领域…
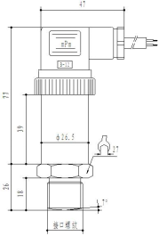
外形结构及接线方式
|
量程范围 |
2~100Mpa |
100Mpa~500Mpa |
|
尺寸图 单位:mm |
|
|
|
接线方式 (2线电流) |
针1:电源+ 针2:电流输出 |
针1:电源+ 针2:电流输出 |
|
接线方式 (3线电压) |
针1:电源+ 针2:共地 针3:电压输出 |
针1:电源+ 针2:共地 针3:电压输出 |
|
注: |
1、螺纹接口有M20×1.5和G1/2两种,特殊要求可定制 2、电气连接为赫斯曼接头,特殊要求可定制 3、尺寸图中接口螺纹前端一个7°的斜面,是为了增强密封效果 |
|
订购提示:
⑴ 标配电缆1.5米,超过的部分按照长度收费。
⑵ 选型时请注意被侧介质与产品接触部分的兼容性。
⑶ 若对产品外形和性能参数有特殊要求,本公司可提供定制。
