性能参数
|
量程范围 |
-0.1…0~0.01…100Mpa |
|
压力类型 |
表压、绝压、密封压 |
|
供电电源 |
24V、12V |
|
输出信号 |
4~20mA、1~5V、0~5V |
|
工作温度 |
-20~85℃ |
|
储存温度 |
-40~125℃ |
|
零点温漂 |
±1.5%FS(@-10~70℃) |
|
灵敏度温漂 |
±1.5%FS(@-10~70℃) |
|
过载压力 |
150%FS |
|
机械振动 |
20g(20-5000HZ) |
|
冲击 |
100g(11ms) |
|
综合精度 |
0.1、0.3、0.5级可选 |
|
绝 缘 |
100MΩ/250VDC |
|
响应时间 |
≤1ms(上升到90%FS) |
|
长期稳定性 |
±0.2%FS/年 |
|
EMC浪涌 |
(IEC61000-4-5)2KV |
|
EMC静电 |
(IEC61000-4-2)接触放电8KV,空气放电15KV |
|
防护等级 |
IP65 |
|
防爆等级 |
ExiaⅡCT4 |
|
材质 |
外壳不锈钢;内部传感器316L |
|
介质兼容 |
与316L不锈钢兼容的各种介质 |
产品概述
SSYB300通用型压力变送器采用扩散硅压力芯体作为敏感元件,内置处理电路将传感器毫伏信号转换成标准电压﹑电流信号输出,可直接与计算机、控制仪表﹑显示仪表等相连。选用高稳定性和高可靠性的压阻式压力传感器和高性能的变送器专用电路,整体性能稳定可靠,可进行远距离信号传输。采用一体化全不锈钢结构,经过多次不锈钢焊接,实现了全固态设计,安装方便,具有极高的抗振性和抗冲击性,在恶劣环境中可以长期使用。
适用范围
设备配套,气动,液压,节能,环保,医疗…
电气接口及接线方式
|
种类 |
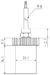
J3:直接引线 |
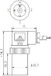
J4:航插 |
J5:赫斯曼 |
|
尺寸图 单位:mm |
|
|
|
|
接线方式 (电流输出) |
红线:电源+ 绿线:电流输出 |
针1:电源+ 针2:电流输出 |
针1:电源+ 针2:电流输出 |
|
接线方式 (电压输出) |
红线:电源+ 蓝线:共地 黄线:电压输出 |
针1:输入+ 针2:地 针3:输出+ |
针1:电源+ 针2:共地 针3:电压输出 |
|
种类 |
J6:赫斯曼直接引线 |
J12:BP3铝壳 |
J17:赫斯曼带显示 |
|
尺寸图 单位:mm |
|
|
|
|
接线方式 (电流输出) |
红线:电源+ 绿线:电流输出 |
端子1:24VDC 端子2:电流输出 |
红线:电源+ 绿线:电流输出 |
|
接线方式 (电压输出) |
红线:电源+ 蓝线:共地 黄线:电压输出 |
|
红线:电源+ 蓝线:共地 黄线:电压输出 |
螺纹接口
|
种类 |
C1:M20×1.5 |
C2:G1/2 |
C3:M14×1.5 |
C4:G1/4 |
|
尺寸图 单位:mm
|
|
|
|
|
|
种类 |
C5:NPT1/2 |
C8:NPT1/4 |
C10:PT1/4 |
C20:G1/4内 |
|
尺寸图 单位:mm |
|
|
|
|
订购提示:
⑴ 标配电缆1.5米,超过的部分按照长度收费。
⑵ 若对产品外形和性能参数有特殊要求,本公司可提供定制。
